12+ Vacuum Brake Booster Diagram


Brake Booster Hose Check Valve Mbworld Org Forums


Vacuum Booster Hose Routing Third Generation F Body Message Boards


Figure Typical Vacuum Brake Booster Assembly Ppt Download


Brake Booster Vacuum Hose


Billet Aluminum Bypass Fuel Pressure Regulator With An6 1 An8 2 Fittin Turbo Bits


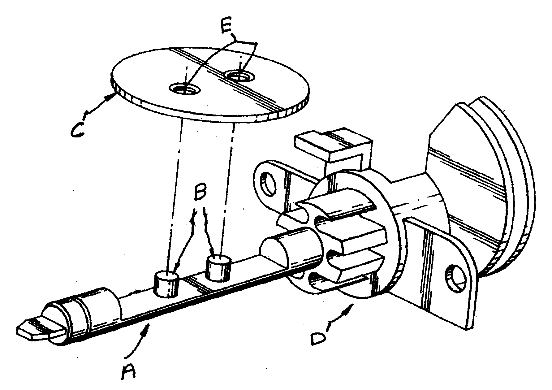
Full Title For Class 137 Subclass 15 22


Cvr Vp555 Electric 12v Vacuum Pump Brake Booster


Brake Booster Vacuum Diagram Turbo Dodge Forums


928 1978 Brake Master Cylinder Brake Booster 604 000


Hd Brake Upgrade Diy The Chrysler Minivan Fan Club Forums


Bosch Ibooster And Master Cylinder Size Diy Electric Car Forums


Brake Booster Vacuum Routing Help Needed Sho Forum


Vacuum Brake Booster Construction Car Construction


Gimme A Boost How To Build An Inexpensive Power Brake Vacuum Booster


Particle Beams In Space The Full Beginner S Guide By Toughsf Medium


Ford Truck Engine Diagram 6 6 In 2023 Ford Truck Ford F150 F150


Brake Booster How To Work Diagram Youtube


Particle Beams In Space The Full Beginner S Guide By Toughsf Medium

Iklan Atas Artikel

Iklan Tengah Artikel 1

Iklan Tengah Artikel 2

Iklan Bawah Artikel